全国2010年10月高等教育自学考试计算机通信接口
编辑整理:广东自考网 发表时间:2018-05-24 07:05:27
【加入自考交流群】
《自考视频课程》名师讲解,轻松易懂,助您轻松上岸!低至199元/科!
全国2010年10月高等教育自学考试计算机通信接口技术试题
课程代码:02369
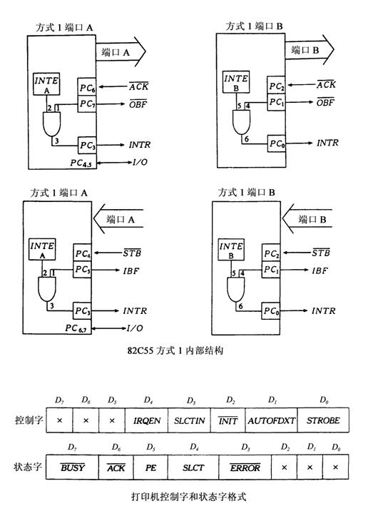
注:接口芯片的控制字请参阅附录.
一、单项选择题(本大题共20小题,每小题1分,共20分)
在每小题列出的四个备选项中只有一个是符合题目要求的,请将其代码填写在题后的括号内.错选、多选或未选均无分.
1.IBM PC/XT机的内部数据总线为16位,地址总线为( )
A.16位
B.20位
C.24位
D.32位
2.Pentium机的内部数据总线为64位,系统总线标准是( )
A.ISA总线
B.PCI总线
C.ISA+PCI总线
D.HOST总线
3.PC机可屏蔽硬件中断结构由两片8259A中断控制器串级构成,允许连接15个硬件中断源,其中中断级别最低的是( )
A.IRQ0计时器
B.IRQ1键盘
C.IRQ3串行口2
D.IRQ7并行口1
4.RS-232C标准规定控制信号的接通电平是( )
A.+3V~-3V
B.+5V~-5V
C.-15V~-5V
D.+5V~+15V
5.在串行异步数据传送时,如果格式规定8位数据位,1位奇偶校验位,1位停止位,则一帧的长度是( )
A.8位
B.9位
C.10位
D.11位
6.82C55端口引脚在复位时被内部编程为( )
A.输入引脚
B.输出引脚
C.控制引脚
D.状态引脚
7.74LS244是( )
A.八位缓冲器
B.单稳态触发器
C.八位锁存器
D.译码器
8.设8254的fclk2=3.2768MHz,控制字=0B6H,要求=50Hz,则指令格式中写入的计数初值应为( )
A.65536
B.16位全1
C.0
D.一个计数器无法实现
9.以下为Windows编程服务的是( )
A.DOS功能调用
B.BIOS调用
C.DPMI调用
D.宏调用
10.下列设备系统中,一般不直接与三总线连接的是( )
A.I/O接口
B.外设
C.ROM
D.RAM
11.除了保护模式中断使用IDT与中断描述符,而实模式中断使用IVT和中断向量之外,保护模式中断与实模式中断是相同的,它们用来从中断服务程序返回的指令是( )
A.RET
B.RETI
C.IRET
D.END
12.INS8250接口芯片实现的主要功能是( )
A.异步串行
B.同步串行
C.同步与异步串行
D.并行
13.82C55的A口工作于方式1输入,当A口允许中断时,需置1的控制位是( )
A.PC2
B.PC4
C.PC5
D.PC6
14.执行返回指令,退出中断服务程序,此时的返回地址来自( )
A.ROM区
B.IP
C.堆栈区
D.中断向量表
15.对于外设引发的可屏蔽中断,CPU的输入端引脚是( )
A.INTR
B.INT
C.CLK
D.ALE
16.与并行通信相比,串行通信的优点是( )
A.传送距离远
B.传送速度快
C.传送信号好
D.传送费用高
17.存放中断号为88H的中断向量的物理地址是( )
A.352~355
B.220H~223H
C.352H~355H
D.220~223
18.典型的接口电路中包含的端口类型有( )
A.数据端口
B.数据端口和控制端口
C.数据端口和状态端口
D.数据端口、状态端口和控制端口
19.8254的6种工作方式中,只可用硬件启动的是( )
A.方式2、5
B.方式1、2
C.方式1、5
D.方式3、1
20.下列关于8254方式3的描述,不正确的是( )
A.自动重装计数初值
B.OUT端输出对称的方波
C.输出波形的重复周期为置入的初值
D.当计数过程中,GATE为低电平时,计数单元停止对CLK的计数.
二、填空题(本大题共10小题,每小题1分,共10分)
请在每小题的空格中填上正确答案.错填、不填均无分.
21.异步通信要求每个字符传送都有起始位和_________.
22.GPIB系统的设备属性有控者、_________和听者三种.
23.异步串行接口通常提供三种错误指示是帧错、溢出错、_________.
24.HDLC定义的三种站是主站、_________和组合站.
25.经"0"位插入后,在链路上传输的数据为010111110110111110111,为透明传输,则用"0"删除技术处理后的用户数据为_________.
26.8254是一个有_________根引脚的可编程芯片.
27.在保护模式下,GDT表示_________.
28.PC/AT机系统机中,8254的计数器1专门用于动态随机存储器RAM的_________.
29.MC146818内部有_________个字节的CMOS RAM单元存放实时时钟和系统配置信息.
30.在计算机领域内通常把不可分的数据项叫做_________.
三、简答题(本大题共3小题,每小题5分,共15分)
31.简述中断向量及中断向量表的概念.
32.I/O端口的编址方式有几种,他们各自的特点是什么?
33.同步通信的基本思想是什么?同步通信规程分为哪两大类?
四、编程题(本大题共4小题,每小题7分,共28分)
34.完成下列程序段,从端口210H读数据,测试其是否为20H,若是,则从端口211H中输入一个数据,并将该数据的高四位清零,低四位送BL寄存器,否则程序转到NEXT.
MOV DX,(1)_________
(2)_________ AL,DX
(3)_________ AL,20H
(4)_________ NEXT
MOV DX,(5)_________
(6)_________ AL,DX
(7)_________
MOV BL,AL
……
NEXT:………
35.下列程序的功能是将中断号为0CH的中断例程的入口地址送入变量KEEPCS和KEEPIP中保存,(其中KEEPCS中保存该中断例程的段基址,KEEPIP中保存该中断例程入口的偏移地址)请完成该子程序.
KEEPCS DW ? ;保存0CH中断服务程序的段基址
KEEPIP DW ? ;保存0CH中断服务程序入口的偏移地址
READ PROC
PUSH AX
PUSH ES
PUSH BX
MOV AL,(1)_________
MOV AH,(2)_________
(3)_________
MOV KEEPCS,(4)_________
MOV KEEPIP,(5)_________
(6)_________
POP ES
(7)_________
RET
READ ENDP
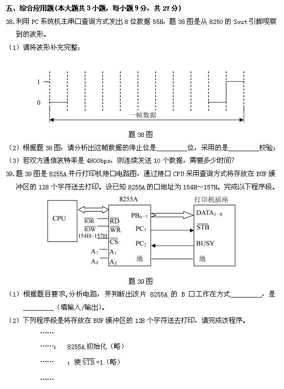
36.假设82C55的A口工作在方式1输入,采用查询方式(程序控制方式)读取数据,请完成下列查询方式读取数据,并将该数据的低三位送BL寄存器的程序段,设82C55的端口地址为34CH~34FH.
SCAN: MOV DX,(1)_________
(2)_________
TEST AL,(3)_________
(4)_________ SCAN
MOV DX,(5)_________
(6)_________;读A口数据
(7)_________;取出低三位
MOV BL,AL
37.设系统外接一片8254,口地址为21CH~21FH,GATE1接+5V,CLK1接入的输入计数脉冲信号为4MHz,要求在OUT1端输出频率是2000Hz的脉冲信号,要求采用二进制计数方式,请完成下列的程序段.
MOV DX,(1)_________
MOV AL,(2)_________
OUT DX,AL ;写控制字
MOV DX,(3)_________
MOV AX,(4)_________
(5)_________
(6)_________
(7)_________ ;写计数初值




本文标签:广东自考 工学类 全国2010年10月高等教育自学考试计算机通信接口
转载请注明:文章转载自(http://www.zikaogd.com)
《广东自考网》免责声明:
1、由于考试政策等各方面情况的调整与变化,本网提供的考试信息仅供参考,最终考试信息请以省考试院及院校官方发布的信息为准。
2、本站内容部分信息均来源网络收集整理或来源出处标注为其它媒体的稿件转载,免费转载出于非商业性学习目的,版权归原作者所有,如有内容与版权问题等请与本站联系。联系邮箱:812379481@qq.com。





