全国2008年10月高等教育自学考试计算机通信接口
编辑整理:广东自考网 发表时间:2018-05-24 07:04:52
【加入自考交流群】
《自考视频课程》名师讲解,轻松易懂,助您轻松上岸!低至199元/科!
课程代码:02369
说明:接口芯片的控制字请参阅附录.
一、单项选择题(本大题共13小题,每小题1分,共13分)
在每小题列出的四个备选项中只有一个是符合题目要求的,请将其代码填写在题后的括号内.错选、多选或未选均无分.
1.属于PC系统中输入输出控制方式的是( )
A.存储器映象
B.隔离I/O
C.程序控制I/O
D.并行I/O
2.在I/O端口写周期时序中,不起作用的信号是( )
A.ALE
B.D0~D7
C.A0~A9
D.
3.DMA控制方式中需要用到的一对联络信号是( )
A.HLDA/HRQ
B.INT/
C.
D.
4.在IBM PC/XT的设计中,为扩大外部可用的中断源,使用的中断控制器Intel 8259A的数量是( )
A.1片
B.2片
C.3片
D.4片
5.8088 CPU所能寻址的存储空间为1MB,地址范围是( )
A.00000H~FFFFFH
B.00000H~0FFFFH
C.00000H~FFFF0H
D.00000H~03FFFH
6.系统启动后,60H型中断向量被置于内存的4个单元的地址是( )
A.240H~243H
B.240~243
C.180H~183H
D.180~183
7.关于GPIB系统中各个信号,描述正确的是( )
A.DAV信号由作用的听者设备发送,由作用的讲者设备接收
B.NRFD和NDAC信号由作用的讲者设备发送,由作用的听者设备接收
C.NRFD和NDAC信号的发送器件必须是集电极开路器件
D.DAV信号的发送器件不可以采用集电极开路器件
8.Centronics接口中,有关"正常数据输入时序"数据传送中的握手联络信号是( )
A.
和BUSY
B.
和
C.
和BUSY
D.Data1~Data8和
9.异步串行通信传送的每个字符中停止位有( )
A.0~1个
B.1个
C.1~2个
D.1~3个
10.同步串行通信接收方的接收时钟( )
A.是从接收数据中分离出来的
B.来自于独立的局部时钟
C.来自于独立的接收时钟
D.是与发送方事先约定的
11.CPU通过8250采用查询方式发送数据之前首先要查询( )
A.接收移位寄存器是否空
B.数据格式是否正确
C.数据缓冲寄存器是否空
D.发送保持寄存器是否空
12.8254内部独立的16位计数器通道有( )
A.1个
B.2个
C.3个
D.4个
13.关于8254工作方式2与工作方式3,描述正确的是( )
A.两者都可产生连续的输出信号
B.两者都可作为方波发生器
C.两者对计数器写入新的计数值,当前的计数周期都受影响
D.当GATE信号由高变低时,计数单元不停止计数
二、填空题(本大题共10小题,每小题1分,共10分)
请在每小题的空格中填上正确答案.错填、不填均无分.
14.计算机领域内,有两种数据传送形式:并行传送和________传送.
15.在程序控制I/O方式中,CPU先读入________信息,判断外设是否准备好,只有在外设准备好了之后,CPU才执行输入/输出指令读入或写出数据.
16.IBM PC/XT的中央处理器类型是Intel________CPU,它在主板上,是整个微机系统运行的核心.
17.ISA总线信号中,________信号为低时,表明I/O通道上有一个要使用系统总线的设备.此信号与DRQ线一起使用,控制系统.
18.GPIB最重要的特点,就是可使一个接口连接多到________个设备(不包括计算机).
19.单线握手联络仅能传递数据________方的状态控制信息.
20.RS-232接口标准允许的传输速率限制在________bit/s 以下.
21.异步串行通信中,通信双方在通信之前必须在字符格式和________方面事先有约定.
22.8254内部结构中,________模块的任务是接收来自CPU的控制信号,完成对8254的读写操作.
23.8254工作在方式4时,若GATE信号为高电平,则计数操作是从________开始的.
三、画图题(本大题共4小题,每小题5分,共20分)
24.题24图是具有中断驱动方式的输入接口电路.请在空缺处填入相应的内容,使其功能完整.
题24图
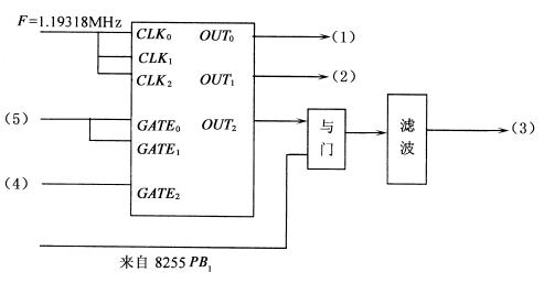
25.题25图是8254在IBM PC/AT系统板上应用示意图.
题25图
请在空格上注明3个计数器的最终输出去向以及GATE0、GATE1、GATE2的输入来源.
(1)_________________ (2)_________________
(3)_________________ (4)_________________
(5)GATE0和GATE1接至_________________.
26.题26图是二线握手联络并行输出接口方框图.请在空格上填入相应的内容,使其结构完整.
题26图
(1) _________________ (2) _________________
(3) _________________ (4) _________________
(5) _________________
27.题27图是一异步串行通信发送的一帧数据的前几位,请画出接收方的时钟同步检测与采样过程(设K=16).
题27图
四、编程题(本大题共5小题,每小题5分,共25分)
28.PC/AT机可屏蔽中断结构使用两片8259A中断控制器串级构成.下面是一个关于IRQ9的中断子程序,响应中断后,向端口200H送出5FH,请完成该程序.
BREAK PROC FAR
PUSH AX
PUSH DX
MOV AL,5FH
MOV DX,200H
OUT DX,AL
MOV AL,20H
(1)_____
(2) _____;结束中断
(3) _____;恢复现场
(4) _____
(5) _____;中断返回
BREAK ENDP
29.设82C55端口A工作于方式0输入,端口C工作于方式0输出,下面子程序完成将端口A上的数据读入并通过端口C输出.请完成该程序(设82C55端口地址为204H~207H).
82C55 PROC FAR
MOV DX, (1)_____
MOV AL, (2) _____
OUT DX,AL ;初始化82C55
MOV DX,(3) _____;读入端口A的数据
IN AL,DX
MOV DX, (4) _____
OUT DX,AL ;端口C输出数据
(5) ;子程序返回
82C55 ENDP
30.8254计数器2的输入时钟是4MHz.译码器提供8254的地址为200H~203H,要求计数器2输出2KHz方波,试将下面8254的初始化程序段补充完整.
MOV D
[1]
本文标签:广东自考 工学类 全国2008年10月高等教育自学考试计算机通信接口
转载请注明:文章转载自(http://www.zikaogd.com)
《广东自考网》免责声明:
1、由于考试政策等各方面情况的调整与变化,本网提供的考试信息仅供参考,最终考试信息请以省考试院及院校官方发布的信息为准。
2、本站内容部分信息均来源网络收集整理或来源出处标注为其它媒体的稿件转载,免费转载出于非商业性学习目的,版权归原作者所有,如有内容与版权问题等请与本站联系。联系邮箱:812379481@qq.com。





