全国2008年7月高等教育自学考试电工与电子技术试
编辑整理:广东自考网 发表时间:2018-05-24 07:04:45
【加入自考交流群】
《自考视频课程》名师讲解,轻松易懂,助您轻松上岸!低至199元/科!
全国2008年7月高等教育自学考试电工与电子技术试题
课程代码:02187
一、单项选择题(本大题共20小题,每小题2分,共40分)
在每小题列出的四个备选项中只有一个是符合题目要求的,请将其代码填写在题后的括号内.错选、多选或未选均无分.
1.欲使题1图中的
,则R1和R2的关系为( )
A. R1=
R2
B. R2=
R1
C. R1=
R2
D. R2=
R1

题1图
2.题2图的戴维南等效电路为( )
A.
B. 
C.
D. 


题2图
3.题3图中ab端等效阻抗为( )
A.(1+j)Ω
B.(1-j)Ω
C.(1+j2)Ω
D.(1-j2)Ω 
题3图
4.已知正弦电压的频率为50Hz,有效值相量表示为
=2
V,则其时间表示式为( )
A.u(t)=2sin (314t+30°)V
B.u(t)=2sin (50t+30°)V
C.u(t)=2
sin (314t+30°)V
D.u(t)=2
sin (50t+30°)V
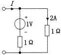
5.题5图中的I为( )
A.0A
B.1A
C.2A
D.3A
题5图
6.元件两端电路u(t)=2sin tV,流过该元件的电流为i(t)=sin (t+
)A, u(t)与i(t)为非关联方向,则该元件的阻抗是( )
A.2
Ω
B.2
Ω
C.2
Ω
D.2
Ω
7.元件接在交流电压两端后,吸收的P=2W,Q=-1var,则该元件可能是( )
A.电阻元件
B.电阻电容并联元件
C.电阻电感串联元件
D.电阻电感并联元件
8.题8图中,
与
关系为( )
A.
=(R+jωC)
B.
=(R-jωC)
C.
=(R-j
)
D.
=(-R+j
)
题8图
9.磁阻的计算公式是( )
A.
[1]
本文标签:广东自考 历年真题 全国2008年7月高等教育自学考试电工与电子技术试
转载请注明:文章转载自(http://www.zikaogd.com)
《广东自考网》免责声明:
1、由于考试政策等各方面情况的调整与变化,本网提供的考试信息仅供参考,最终考试信息请以省考试院及院校官方发布的信息为准。
2、本站内容部分信息均来源网络收集整理或来源出处标注为其它媒体的稿件转载,免费转载出于非商业性学习目的,版权归原作者所有,如有内容与版权问题等请与本站联系。联系邮箱:812379481@qq.com。





