全国2007年7月高等教育自学考试钢结构试题
编辑整理:广东自考网 发表时间:2018-05-24 06:23:16
【加入自考交流群】
《自考视频课程》名师讲解,轻松易懂,助您轻松上岸!低至199元/科!
全国2007年7月高等教育自学考试
钢结构试题
课程代码:02442
一、单项选择题(本大题共20小题,每小题2分,共40分)
在每小题列出的四个备选项中只有一个是符合题目要求的,请将其代码填写在题后的括号内.错选、多选或未选均无分.
1.关于建筑结构钢材的特点,下列说法中错误的是( )
A.钢材具有良好的塑性,达到拉伸极限而破坏时,应变可达20%~30%
B.钢材具有良好的焊接性能,采用焊接结构可以使钢结构的连接大为简化
C.钢结构的耐腐蚀性很好,适合在各种恶劣环境中使用
D.钢结构的耐热性很好,但耐火性能很差
2.建筑结构钢材发生脆性破坏是由于( )
A.钢材是塑性较差的材料
B.结构的构造不合理或工作条件差
C.钢材的强度较混凝土高很多,更容易发生脆性破坏
D.钢材的使用应力超过屈服点
3.有时要求钢材应具有Z向收缩率指标的要求,是为了( )
A.检验钢材的塑性变形能力能否达到建筑结构用钢的要求
B.检查金属内部是否有非金属杂质等缺陷
C.防止厚板在焊接时或承受厚度方向的拉力时,发生层状撕裂
D.防止有动力荷载作用时,钢材发生低温脆断
4.单向拉伸试验时,下列四种试件中,延性最好和强度最高的是( ) 
A.1的延性最好,4的强度最高
B.2的延性最好,1的强度最高
C.3的延性最好,1的强度最高
D.4的延性最好,2的强度最高
5.关于Q235A级钢,其中各符号的含义是( )
A.235表示钢材的屈服强度设计值;A表示级别,应具有20℃下不小于27J的冲击功要求
B.235表示钢材的屈服强度标准值;A表示级别,应具有20℃下不小于27J的冲击功要求
C.235表示钢材的屈服强度设计值;A表示级别,对冲击功没有要求
D.235表示钢材的屈服强度标准值;A表示级别,对冲击功没有要求
6.在承受静力荷载的角焊缝连接中,与侧面角焊缝相比,正面角焊缝( )
A.承载能力高,同时塑性变形能力也较好
B.承载能力高,而塑性变形能力却较差
C.承载能力低,而塑性变形能力却较好
D.承载能力低,同时塑性变形能力也较差
7.采用高强度螺栓摩擦型连接,承受剪力作用,在达到极限状态之前( )
A.摩擦面产生滑动,栓杆与孔壁产生挤压力
B.摩擦面产生滑动,栓杆与孔壁不产生挤压力
C.摩擦面不产生滑动,栓杆与孔壁不产生挤压力
D.摩擦面不产生滑动,栓杆与孔壁产生挤压力
8.普通螺栓承压承载力设计值的计算公式为:NCb=d·∑tfbC,其中d和∑t的含义是( )
A.d为螺栓孔直径,∑t为同一受力方向承压构件厚度之和的较小值
B.d为螺栓直径,∑t为同一受力方向承压构件厚度之和的较小值
C.d为螺栓孔直径,∑t为同一受力方向承压构件厚度之和的较大值
D.d为螺栓直径,∑t为同一受力方向承压构件厚度之和的较大值
9.在下列因素中,对轴心压杆整体稳定承载力影响不大的是( )
A.荷载偏心的大小
B.截面残余应力的分布
C.构件中初始弯曲的大小
D.螺栓孔的局部削弱
10.如图所示焊接组合工字形轴心压杆,一般情况下(当板件不是很薄时)杆件的整体失稳形式是( )
A.绕y轴的弯扭失稳
B.绕y轴的弯曲失稳
C.绕x轴的弯曲失稳
D.绕z轴的扭转失稳
11.为保证轴压钢柱腹板的局部稳定,应使其高厚比不大于某一限值,此限值( )
A.与钢材的强度和柱的长细比均有关
B.与钢材的强度有关,而与柱的长细比无关
C.与钢材的强度无关,而与柱的长细比有关
D.与钢材的强度和柱的长细比均无关
12.某竖直向下均布荷载作用下的两端简支工字形钢梁,关于荷载作用位置对其整体稳定性的影响,叙述正确的是( )
A.当均布荷载作用于上翼缘位置时稳定承载力较高
B.当均布荷载作用于中和轴位置时稳定承载力较高
C.当均布荷载作用于下翼缘位置时稳定承载力较高
D.荷载作用位置与稳定承载力无关 
A.(a)
B.(b)
C.(c)
D.(d)
15.设计焊接组合截面梁时,通常要事先估计梁的高度取值范围,一般来说梁的最大高度是由建筑高度所决定的,而梁的最小高度一般是由下列哪项决定的?( )
A.梁的整体稳定要求
B.梁的局部稳定要求
C.梁的强度要求
D.梁的刚度要求
16.偏心受压构件稳定计算公式中的等效弯矩系数βmx与下列哪项有关?( )
A.端弯矩和横向荷载
B.端弯矩和轴向荷载
C.长细比和横向荷载
D.长细比和轴向荷载
17.偏心受压柱的柱脚同时承受弯矩和轴力作用,导致柱脚底板与基础之间的应力分布不均匀,设计时要求上述最大压应力不应超过( )
A.底板钢材的抗压强度设计值
B.底板钢材的端面承压强度设计值
C.基础混凝土的抗压强度设计值
D.基础混凝土的抗剪强度设计值
18.选择钢屋架的角钢杆件截面时,应注意选用( )
A.肢宽而厚的角钢
B.肢宽而薄的角钢
C.肢窄而厚的角钢
D.肢窄而薄的角钢
19.钢屋架杆件采用双角钢截面时,节点板的厚度是根据( )
A.屋架所受最大的集中荷载确定的
B.屋架的支座反力确定的
C.屋架的整体刚度确定的
D.屋架腹杆最大杆力确定的
20.钢屋架体系中上弦横向水平支撑的主要作用是( )
A.为屋架上弦杆件提供侧向支承点
B.承担吊车产生的横向水平荷载
C.承担并传递屋面的竖向荷载
D.为柱子提供侧向支承点
二、填空题(本大题共10小题,每小题1分,共10分)
请在每小题的空格中填上正确答案.错填、不填均无分.
21.钢结构需要验算构件的强度和稳定等是否能够满足设计要求,这种极限状态称为___________极限状态.
22.碳是钢材中除铁以外含量最多的元素,随着含碳量的提高,钢材的___________会逐渐提高,但钢材的塑性和韧性却逐渐降低.
23.钢材在连续的循环荷载作用下,当循环次数达到某一定值时,钢材会发生突然断裂破坏的现象,称为钢材的___________.
24.钢结构设计规范规定:角焊缝长度不得小于___________和40mm.
25.焊接残余应力对构件的静力强度没有明显影响,但会___________构件的刚度和稳定性.
26.为保证螺栓连接中被连接板件不会发生冲剪破坏,要求螺栓孔的端距不得小于_______.
27.为提高钢梁的整体稳定性,侧向支撑点应设在钢梁的___________翼缘.
28.钢梁的整体稳定系数
是按弹性稳定理论确定的,为了考虑钢梁的弹塑性性能,并计入残余应力的影响,当按规范公式算得的
______时,说明梁将在弹塑性阶段失稳,应使用
代替
. 29.钢结构偏心受压构件强度和稳定计算中的塑性发展系数
与______有关. 30.假设梯形钢屋架中构件的几何长度(节点中心间距)为l,则除了端斜杆之外的其它腹杆在平面内的计算长度为______.
三、计算题(本大题共5小题,每小题6分,共30分)
31.如图所示双角钢与节点板采用侧面角焊缝相连,N=450kN,角钢为2L100×10,节点板厚度t=8mm,钢材为Q235B,手工焊,焊条为E43系列,ffw=160N/m2,试确定所需焊脚尺寸及焊缝长度.(提示:K1=0.7,K2=0.3)
32.如图所示翼缘与节点板之间采用10.9级M20高强螺栓摩擦型连接,螺栓孔直径d0=21.5mm,钢材为Q235B,接触面喷砂后涂富锌漆,μ=0.35,预拉力P=155kN,外荷载设计值N=268.3kN,试验算此连接是否可靠.
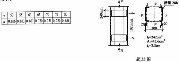
33.如图所示轴心受压缀板式格构柱,轴向压力N=1460kN,柱高7.2m,两端铰接,钢材的强度设计值f=215N/mm2,两个柱肢截面面积为A=2×45.6=91.2cm2,缀板间距、单肢截面几何特征已在图中注明.试验算此柱绕虚轴的稳定性.
四、分析题(8分)
36.轴心受压柱典型的柱头形式如图所示.
①请在图中标出柱头节点中与连接和构造有关的各部分零件的名称;
②请给出此柱头节点的传力过程和传力方式.
本文标签:广东自考 历年真题 全国2007年7月高等教育自学考试钢结构试题
转载请注明:文章转载自(http://www.zikaogd.com)
《广东自考网》免责声明:
1、由于考试政策等各方面情况的调整与变化,本网提供的考试信息仅供参考,最终考试信息请以省考试院及院校官方发布的信息为准。
2、本站内容部分信息均来源网络收集整理或来源出处标注为其它媒体的稿件转载,免费转载出于非商业性学习目的,版权归原作者所有,如有内容与版权问题等请与本站联系。联系邮箱:812379481@qq.com。





